Product Summary
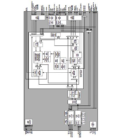
The PM4328-PI High Density T1/E1 Framer with Integrated M13 Multiplexer (TECT3) is a feature-rich device for use in any applications requiring high density link termination over T1 or E1 channelized DS3. The PM4328-PI can also be configured as a DS3 framer, providing external access to the full DS3 payload. The PM4328-PI can be configured to frame to either of the common DS1 signal formats: (SF, ESF) or to be bypassed (unframed mode).
Parametrics
PM4328-PI absolute maximum ratings: (1)Ambient Temperature under Bias:-40 to +85℃; (2)Storage Temperature:-40 to +125℃; (3)Supply Voltage:-0.3 to + 3.5VDC; (4)Supply Voltage:-0.3 to + 4.6VDC; (5)Supply Voltage:-0.3 to + 4.6VDC; (6)Voltage on Any Pin:-0.3 to + 5.5VDC; (7)Static Discharge Voltage:±1000V; (8)Latch-Up Current:±100mA; (9)DC Input Current:±20mA; (10)Lead Temperature:+230℃; (11)Junction Temperature:+150℃.
Features
PM4328-PI features: (1)Supports a byte serial Scaleable Bandwidth Interconnect (SBI) bus interface for high density system side device interconnection of up to 84 T1 streams or 3 DS3 streams ; (2)Provides jitter attenuation in the T1 or E1 receive and transmit directions; (3)Provides two independent de-jittered T1 or E1 recovered clocks for system timing and redundancy; (4)Provides per-DS0 line loopback and per link diagnostic and line loopbacks; (5)Provides an on-board programmable binary sequence generator and detector for error testing at DS3 rates. Includes support for patterns recommended in ITU-T O.151; (6)Provides robbed bit signaling extraction and insertion on a per-DS0 basis; (7)Provides programmable idle code substitution, data and sign inversion, and digital milliwatt code insertion on a per-DS0 basis; (8)Supports the M23 and C-bit parity DS3 formats; (9)Standalone unchannelized DS3 framer mode for access to the entire DS3 payload.
Diagrams

![]() |
![]() PM43-100M |
![]() Bourns |
![]() Power Inductors 10uH 4X4.5X3.2mm |
![]() Data Sheet |
![]() Negotiable |
|
||||||||||||
![]() |
![]() PM43-100M-RC |
![]() J.W. Miller |
![]() Power Inductors 10uH 20% |
![]() Data Sheet |
![]()
|
|
||||||||||||
![]() |
![]() PM43-120M |
![]() J.W. Miller |
![]() Power Inductors 12uH 4X4.5X3.2mm |
![]() Data Sheet |
![]() Negotiable |
|
||||||||||||
![]() |
![]() PM43-120M-RC |
![]() Bourns |
![]() Power Inductors 12uH 20% |
![]() Data Sheet |
![]()
|
|
||||||||||||
![]() |
![]() PM4314 |
![]() Other |
![]() |
![]() Data Sheet |
![]() Negotiable |
|
||||||||||||
![]() |
![]() PM4314-RI |
![]() Other |
![]() |
![]() Data Sheet |
![]() Negotiable |
|
||||||||||||
(China (Mainland))









